إضافة المنتجات عن طريق إضافة الرموز
أضف ملف CSV
أدخل رموز المنتجات التي تريد إضافتها إلى السلة بشكل مجمّع (بعد فاصلة أو بمسافة أو من سطر جديد).
سيؤدي تكرار الرمز عدة مرات إلى إضافة هذا العنصر عدة مرات كما يظهر.
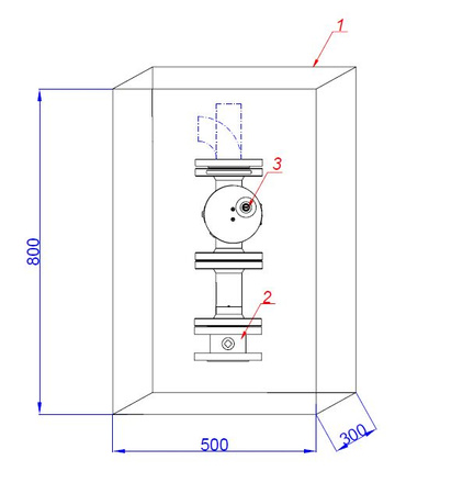
نقطة قطع الغاز DN32
نقاط قطع الغاز تُستخدم بعد نظام القياس أو نظام القياس والتخفيض في المناطق القابلة للاشتعال (EX).
تشمل مثل هذه النقاط صمامات كرة ملولبة مزودة بفلانج وصمامًا كهرومغناطيسيًا يقومان بقطع إمداد الغاز بشكل موثوق وفعال للتركيب عندما يتم اكتشاف وجود الغاز في الغرفة بواسطة أجهزة الاستشعار. يجب تثبيت صمام قاطع الغاز إلى المبنى، والذي يعد جزءًا من جهاز الإنذار والإيقاف، خارج المبنى، بين الصمام الرئيسي ومدخل الكابل إلى المبنى.
ماركة
رمز
07-10-0000-08
الارتفاع الكلي
800 mm
العرض الكلي
500 mm
اللون
RAL1021
العمق الكلي
300 mm
المجموعة
نقطة الغاز
النافذة في الباب
لا
المنتجين
WEBA
المواد
معدن
نوع السقف
مائل
نوع خزان الغاز
مستقل
حجم DN
DN32
تهوية
Door
أبعاد الفلانجة DN
DN32
أبعاد المنتج
500x800x300
مجموعة الخصم
C
الوزن الإجمالي
0 kg
إلى التطبيق
تركيب الغاز الطبيعي المنزلي
طرح سؤال




