إضافة المنتجات عن طريق إضافة الرموز
أضف ملف CSV
أدخل رموز المنتجات التي تريد إضافتها إلى السلة بشكل مجمّع (بعد فاصلة أو بمسافة أو من سطر جديد).
سيؤدي تكرار الرمز عدة مرات إلى إضافة هذا العنصر عدة مرات كما يظهر.
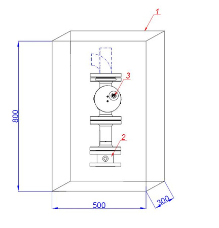
نقطة قطع الغاز DN40
قطع نقطة الغاز DN40
تُستخدم نقاط قطع الغاز أسفل نظام القياس أو القياس والتقليل في المناطق القابلة للانفجار (EX).
مثل هذه النقطة تتضمن صمامات كرة ملولبة مع الانتقالات الكهرومغناطيسية، التي تقطع الغاز بشكل موثوق وفعال عند اكتشاف وجود الغاز في الغرفة بواسطة أجهزة الكشف. يجب تركيب صمام قطع الغاز إلى المبنى، والذي يعتبر جزءًا من جهاز الإنذار والقطع، خارج المبنى بين الصمام الرئيسي ومدخل الكابل إلى المبنى.
ماركة
رمز
07-10-0000-09
الارتفاع الكلي
800 mm
العرض الكلي
500 mm
اللون
RAL1021
العمق الكلي
300 mm
المجموعة
نقطة الغاز
النافذة في الباب
لا
المنتجين
WEBA
المواد
معدن
نوع السقف
مائل
نوع خزان الغاز
مستقل
حجم DN
DN40
تهوية
Door
أبعاد الفلانجة DN
DN40
أبعاد المنتج
500x800x300
مجموعة الخصم
C
الوزن الإجمالي
0 kg
إلى التطبيق
تركيب الغاز الطبيعي المنزلي
طرح سؤال




