Ajouter des produits en ajoutant des codes
Ajouter un fichier CSV
Entrez les codes de produit que vous voulez ajouter au panier en vrac (après une virgule, avec un espace ou à partir d'une nouvelle ligne).
Répéter le code plusieurs fois ajoutera cet élément autant de fois qu'il apparaît.
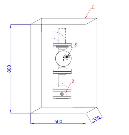
Poste de coupure de gaz DN32
Points de coupure du gaz utilisés en aval du système de mesure ou de réduction de la mesure dans les zones potentiellement explosives. Ce type de point comprend des vannes à bille à brides et une vanne électromagnétique, qui coupe de manière fiable et efficace l'alimentation en gaz de l'installation, lorsque du gaz est détecté dans la pièce par des détecteurs. La vanne d'arrêt du gaz vers le bâtiment, qui fait partie du dispositif de signalisation et d'arrêt, doit être installée à l'extérieur du bâtiment, entre le robinet principal et l'entrée du câble dans le bâtiment.
Marque
Symbole
07-10-0000-08
Hauteur totale
800 mm
Largeur totale
500 mm
Couleur
RAL1021
Profondeur totale
300 mm
Groupe
Point de gaz
La fenetre dans la porte
Non
Producteurs
WEBA
Materiel
Metal
Type de toit
Incline
Type de l'armoire a gaz
Autoportant
Taille en DN
DN32
Ventilation
Porte
Dimension de la bride en DN
DN32
Dimensions du produit
500x800x300
Categorie de la remise
C
Poids brut
0 kg
Vers l'application
Installation domestique de gaz naturel
Poser une question




